Prodotti, prezzi, dimensioni, possono subire variazioni senza preavviso, chiedere la conferma prima dell'ordine.

Prices, products, dimension, could be changed, Ask before order.

go to AUDIOKIT Home Page


Prezzi e prodotti aggiornati sul nuovo sito Audiokit e-Shop cliccando qui !

Update prices & products on new e-Shop Audiokit website click Here

 

 

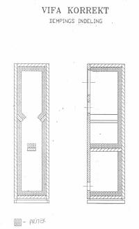
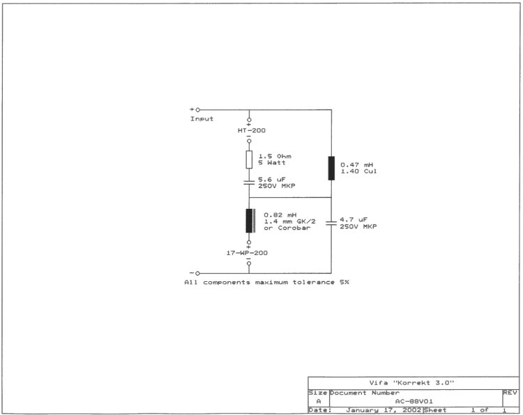
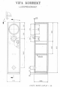
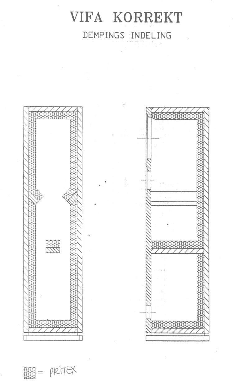
Vifa Korrekt

Audiocomponents Project

 

 

 

   

 

Vista la natura variabile della componentistica, e le esigenze personali di ciascun autocostruttore, non possiamo offrire un vero e proprio KIT di montaggio standard, si prega di scegliere i componenti dal nostro sito Internet.

ATTENZIONE alcuni altoparlanti potrebbero essere fuori produzione, se non presenti come corrispondenti di fianco alle nuove sigle, purtroppo non abbiamo più possibilità di reperirli !

NON possiamo fornire i Cabinet !

 

 

 

Torna all'indice Vifa     Back to Vifa Index

 

Torna all'indice generale progetti  -   Back to general projects index

 

Prezzi e prodotti aggiornati sul nuovo sito Audiokit e-Shop cliccando qui !

Update prices & products on new e-Shop Audiokit website click Here

 

 

mercoledì 02 luglio 2014


Copyright © 1996 - 2009 Audiokit  All Right reserved, name and brands are of respective owners.

go to AUDIOKIT Home Page