"APF50M"
Amplificatore
Finale Push-Pull di potenza a valvole
Push-Pull
Tubes Power Amplifier
Progetto
di Paolo Franceschi/Digitex
Paolo
Franceschi/Digitex
Project
Configurazioni e
schemi
Configurations & Schemes
Non più Disponibile -
Not more available
6550A
- KT 88 Tubes
|
Class
|
Collegamento
|
V
Anod
|
I
Anod.
|
V
Catode
|
V
Griglia
|
R110
R111
|
V
Alim
|
Z.T.U.
Ohm
|
Schema
|
P.OUT
|
Consigliato
Suggested
|
|
A
|
Ultralinear
|
450 V
|
60 mA
|
72 mV
|
-55 V
|
20 K
|
320 V
|
3600
|
1
|
40 W
|
|
|
A
|
Triodo
|
450 V
|
60 mA
|
72 mV
|
-55 V
|
20 K
|
320 V
|
3600
|
2
|
30 W
|
XX
|
|
A
|
Tetrodo
|
450 V
|
60 mA
|
72 mV
|
-43 V
|
10 K
|
320 V
|
3600
|
3
|
65 W
|
|
|
AB1
|
Ultralinear
|
520 V
|
41 mA
|
50 mV
|
-65 V
|
30 K
|
370 V
|
3600
|
1
|
55 W
|
XXX
|
|
AB1
|
Triodo
|
520 V
|
41 mA
|
50 mV
|
-65 V
|
30 K
|
370 V
|
3600
|
2
|
40 W
|
|
|
AB1
|
Tetrodo
|
520 V
|
41 mA
|
50 mV
|
-45 V
|
10 K
|
370 V
|
3600
|
3
|
80 W
|
X
|
EL
34 - KT 77 Tubes
|
Class
|
Collegamento
|
V
Anod
|
I
Anod.
|
V
Catode
|
V
Griglia
|
R110
R111
|
V
Alim
|
Z.T.U.
Ohm
|
Schema
|
P.OUT
|
Consigliato
Suggested
|
|
A
|
Ultralinear
|
320 V
|
60 mA
|
72 mV
|
-22 V
|
5 K
|
230 V
|
3600
|
1
|
18 W
|
|
|
A
|
Triodo
|
320 V
|
60 mA
|
72 mV
|
-22 V
|
5 K
|
230 V
|
3600
|
2
|
13 W
|
|
|
A
|
Pentodo
|
320 V
|
60 mA
|
72 mV
|
-28 V
|
10 K
|
230 V
|
3600
|
3
|
35 W
|
|
|
A
|
Ultralinear
|
450 V
|
50 mA
|
60 mV
|
-37 V
|
10 K
|
320 V
|
3600
|
1
|
35 W
|
XX
|
|
A
|
Triodo
|
540 V
|
50 mA
|
60 mV
|
-37 V
|
10 K
|
320 V
|
3600
|
2
|
25 W
|
|
|
A
|
Pentodo
|
520 V
|
41 mA
|
50 mV
|
-31 V
|
10 K
|
370 V
|
3600
|
3
|
60 W
|
XXX
|
|
AB1
|
Ultralinear
|
450 V
|
35 mA
|
42 mV
|
-39 V
|
10 K
|
320 V
|
3600
|
1
|
40 W
|
XX
|
|
AB1
|
Triodo
|
450 V
|
35 mA
|
42 mV
|
.39 V
|
10 K
|
320 V
|
3600
|
2
|
30 W
|
|
|
AB1
|
Pentodo
|
450 V
|
35 mA
|
42 mV
|
-32 V
|
10 K
|
320 V
|
3600
|
3
|
55 W
|
|
|
AB1
|
Pentodo
|
520 V
|
30 mA
|
36 mV
|
-33 V
|
10 K
|
370 V
|
3600
|
3
|
65 W
|
X
|
6L6GC
- 5881 - KT 66
|
Class
|
Collegamento
|
V
Anod
|
I
Anod.
|
V
Catode
|
V
Griglia
|
R110
R111
|
V
Alim
|
Z.T.U.
Ohm
|
Schema
|
P.OUT
|
Consigliato
Suggested
|
|
A
|
Ultralinear
|
320 V
|
70 mA
|
84 mV
|
-21 V
|
5 K
|
230 V
|
5000
|
1
|
13 W
|
|
|
A
|
Triodo
|
320 V
|
70 mA
|
84 mV
|
-21 V
|
5 K
|
230 V
|
5000
|
2
|
8 W
|
X
|
|
A
|
Tetrodo
|
320 V
|
70 mA
|
84 mV
|
-28 V
|
5 K
|
230 V
|
5000
|
3
|
21 W
|
|
|
AB1
|
Ultralinear
|
450 V
|
35 mA
|
42 mV
|
-45 V
|
10 K
|
320 V
|
5000
|
1
|
33 W
|
XX
|
|
AB1
|
Triodo
|
450 V
|
35 mA
|
42 mV
|
-45 V
|
10 K
|
320 V
|
5000
|
2
|
16 W
|
|
|
AB1
|
Tetrodo
|
450 V
|
35 mA
|
42 mV
|
-36 V
|
10 K
|
320 V
|
5000
|
3
|
36 W
|
X
|
|
AB1
|
Tetrodo
|
520 V
|
30 mA
|
36 mV
|
-38 V
|
10 K
|
370 V
|
5000
|
3
|
50 W
|
X
|
Non più Disponibile -
Not more available
6B4G
|
Class
|
Collegamento
|
V
Anod
|
I
Anod.
|
V
Catode
|
V
Griglia
|
R110
R111
|
V
Alim
|
Z.T.U.
Ohm
|
Schema
|
P.OUT
|
Consigliato
Suggested
|
|
A
|
Triodo
|
320 V
|
30 mA
|
-
|
-70 V
|
30 K
|
230 V
|
3600
|
4
|
13 W
|
XXX
|
|
AB1
|
Triodo
|
320 V
|
60 mA
|
-
|
-75 V
|
30 K
|
230 V
|
3600
|
4
|
15 W
|
XX
|
|
LEGENDA
LEGEND
|
|
Classe
|
Classe di funzionamento
|
|
Collegamento
|
Vedi schema
|
|
V Anod.
|
Tensione di alimentazione anodica in continua stadio
finale
|
|
I Anod.
|
Corrente di riposo valvola
|
|
V Catode
|
Tensione ai capi della resistenza lettura bias (R105,
R106)
|
|
V Griglia
|
Tensione approssimativa sulla griglia di controllo
|
|
R110-R111
|
Valore delle resistenze in ohm
|
|
V Alim
|
Presa tensione anodica sul trasformatore di alimentazione
|
|
Z T.U.
|
Impedenza totale primaria trasformatore di uscita
|
|
Schema
|
Vedi schema stadio di uscita (sul manuale APF 50M)
|
|
P. OUT
|
Potenza media di uscita rilevata
|
|
Consigliato
|
Configurazioni preferenziali per caratteristiche sonore ed
elettriche: maggiore è il numero delle X maggiore è la preferenza
|
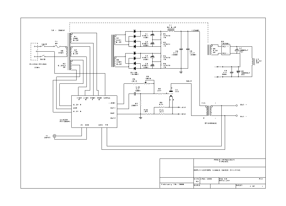
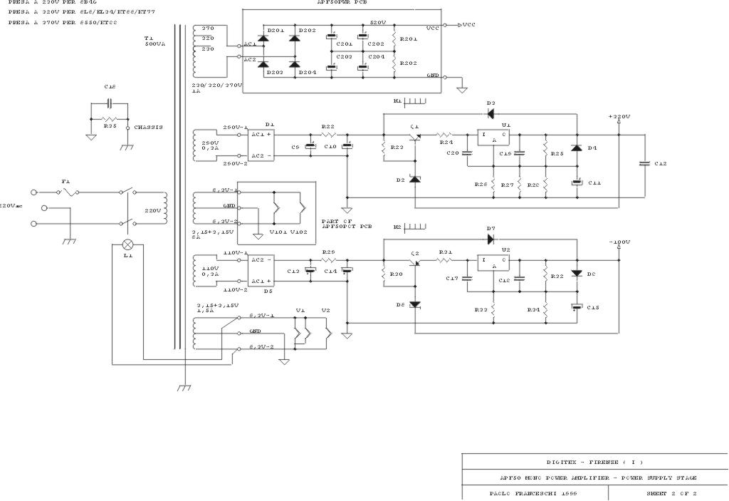
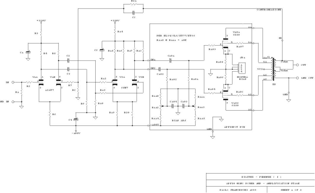
Schemi elettrici
Circuit Schematics


Driver Printer Board
PWR Printer
Board
POT Printer Board
Non più Disponibile -
Not more available
Versione
APF211 APF211
Version

APF 211
PP
APF211 SE
Manuale
completo con le istruzioni su richiesta on
request instructions manual
Alcune
realizzazioni
Some realizations
APF50ML Custom
con 4 valvole finali (with 4 final tubes)
About
the Author
Torna
alla pagina precedente
Back to precedent page
Torna
all'indice Kit Back to Kit index
Prezzi
e prodotti aggiornati sul nuovo sito Audiokit e-Shop cliccando qui !
Update prices & products on new e-Shop
Audiokit website click Here
mercoledì 02 luglio 2014
|